DLP528
Экскаватор
новый
Кастинг
HRC63
Согласно требованиям клиента
Китай
Ковш экскаватора
CE
DLP528
Cr Белое железо и мягкая сталь
OEM
230mmx50mmx50mm
8431499900
1. Описание:
Название: Носить бары DLP528
Описания:
Материал: Cr белое железо и мягкая сталь
Твердость: HRC63
Легко режется - позволяет настроить защиту в соответствии с различными характеристиками
Легко сгибается - обеспечивает защиту на контурной поверхности.
Используйте Chocky стержней с предварительно зубчатой опорной пластиной.
Доступно 5 размеров - с любым стандартной или предварительно зубчатой опорной пластиной.
Приложения:
Ковш изнашивается полосками.
Заменяет жесткую облицовку для шнеков, наклонно-направленных буровых головок, для бурения фундаментов, бурения с подъемным отверстием
Вкладыши лопастей вентилятора.
Лопасти мопса, наконечники и скребки.
Перерабатывающая промышленность.
Дорожный рубанок салазки и отбойники.
Заменяет жесткую облицовку для корпусов насосов и рабочих колес
2. Ассортимент нашей продукции
3.Популярные товары дуют для справки:
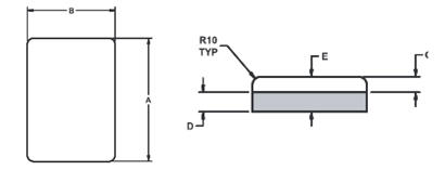
Часть № | А (мм) | B (мм) | С (мм) | D (мм) | Е (мм) | Вес (кг) |
DLP-1920 | 75 | 25 | 17 | 8 | 25 | 0.7 |
DLP-1921 | 100 | 50 | 17 | 8 | 25 | 1.1 |
DLP-1994 | 100 | 70 | 24 | 8 | 32 | 1 |
DLP-2196 | 130 | 80 | 15 | 8 | 23 | 1.3 |
DLP-4771 | 148 | 108 | 25 | 10 | 35 | 2.3 |
Часть № | А (мм) | B (мм) | С (мм) | D (мм) | Е (мм) | Вес (кг) |
DLP 4 | 300 | 38 | 25 | 8 | 33 | 3 |
DLP 295 | 153 | 38 | 25 | 8 | 33 | 1.6 |
DLP 508 | 190 | 50 | 20 | 10 | 30 | 2.3 |
DLP 125 | 230 | 50 | 38 | 12 | 50 | 4.6 |
DLP 1101 | 150 | 50 | 40 | 10 | 50 | 3 |
DLP 528 | 150 | 75 | 40 | 10 | 50 | 4.5 |
DLP 619 | 150 | 75 | 50 | 10 | 60 | 5.3 |
Часть # | А (мм) | B (мм) | С (мм) | D (мм) | Е (мм) | Вес (кг |
SB 413 | 200 | 150 | 20 | 25 | 45 | 10.5 |
SB 412 | 250 | 150 | 20 | 25 | 45 | 13.1 |
SB 414 | 250 | 250 | 20 | 25 | 45 | 22 |
4. Наш склад:
5. Информация о компании
Компания Ningbo Beneparts Machinery Co., Ltd, как ваш надежный поставщик запчастей GET, предлагает полный ассортимент запасных частей, подходящих для всех видов землеройных машин, которые применяются в горнодобывающей промышленности, строительстве, сельском хозяйстве и т. Д. Например, экскаватор, бульдозер, погрузчик, экскаватор, скребок, дробилка и др. скоро. Поставляемые нами запасные части, в том числе литые детали, такие как зубья ковша, переходник, губчатый кожух, протектор, хвостовик рыхлителя и т. Д., И кованые детали, такие как кованые зубья ковша, режущая кромка, лезвия грейдера, сегмент, концевое долото и т. Д., А также износостойкие детали такие как чурки, износостойкие пуговицы, хромированная комбинированная износная пластина и т. д. и соответствующие детали, такие как штифт, шайба, болты и гайки и т. д. Наши детали покрывают марки машин Caterpillar, Komatsu, Volvo Doosan, Daewoo, Hyundai, Case, JCB, Kobelco, Liebherr Джон Дир и др.
Beneparts имеет очень сильную команду по продажам и тесно сотрудничающих производителей с высокими технологиями и сосредоточены на качестве с более чем 28-летним опытом.
Наши преимущества в четыре раза, наши:
1. сильная техническая команда, и у нас есть возможность формулировать материалы для удовлетворения конкретных потребностей проектов наших клиентов.
Система контроля качества 2.Perfect, и полный спектр передовых средств, таких как машина для анализа компонентов, ударная машина, машина для определения прочности на разрыв и т. Д.
3. Богатый опыт ведения бизнеса OEM / ODM, мы можем разработать элементы согласно чертежам и образцам, если у вас есть конкретные требования.
4. Эффективное управление, мы можем сократить сроки поставки, и у нас есть хорошее послепродажное обслуживание, которое поддерживает долгосрочное деловое сотрудничество с нашими клиентами.
Мы всегда стремимся предоставить вам быстрое, удобное и эффективное обслуживание клиентов.
С нетерпением жду встречи с вами!
1. Описание:
Название: Носить бары DLP528
Описания:
Материал: Cr белое железо и мягкая сталь
Твердость: HRC63
Легко режется - позволяет настроить защиту в соответствии с различными характеристиками
Легко сгибается - обеспечивает защиту на контурной поверхности.
Используйте Chocky стержней с предварительно зубчатой опорной пластиной.
Доступно 5 размеров - с любым стандартной или предварительно зубчатой опорной пластиной.
Приложения:
Ковш изнашивается полосками.
Заменяет жесткую облицовку для шнеков, наклонно-направленных буровых головок, для бурения фундаментов, бурения с подъемным отверстием
Вкладыши лопастей вентилятора.
Лопасти мопса, наконечники и скребки.
Перерабатывающая промышленность.
Дорожный рубанок салазки и отбойники.
Заменяет жесткую облицовку для корпусов насосов и рабочих колес
2. Ассортимент нашей продукции
3.Популярные товары дуют для справки:
Часть № | А (мм) | B (мм) | С (мм) | D (мм) | Е (мм) | Вес (кг) |
DLP-1920 | 75 | 25 | 17 | 8 | 25 | 0.7 |
DLP-1921 | 100 | 50 | 17 | 8 | 25 | 1.1 |
DLP-1994 | 100 | 70 | 24 | 8 | 32 | 1 |
DLP-2196 | 130 | 80 | 15 | 8 | 23 | 1.3 |
DLP-4771 | 148 | 108 | 25 | 10 | 35 | 2.3 |
Часть № | А (мм) | B (мм) | С (мм) | D (мм) | Е (мм) | Вес (кг) |
DLP 4 | 300 | 38 | 25 | 8 | 33 | 3 |
DLP 295 | 153 | 38 | 25 | 8 | 33 | 1.6 |
DLP 508 | 190 | 50 | 20 | 10 | 30 | 2.3 |
DLP 125 | 230 | 50 | 38 | 12 | 50 | 4.6 |
DLP 1101 | 150 | 50 | 40 | 10 | 50 | 3 |
DLP 528 | 150 | 75 | 40 | 10 | 50 | 4.5 |
DLP 619 | 150 | 75 | 50 | 10 | 60 | 5.3 |
Часть # | А (мм) | B (мм) | С (мм) | D (мм) | Е (мм) | Вес (кг |
SB 413 | 200 | 150 | 20 | 25 | 45 | 10.5 |
SB 412 | 250 | 150 | 20 | 25 | 45 | 13.1 |
SB 414 | 250 | 250 | 20 | 25 | 45 | 22 |
4. Наш склад:
5. Информация о компании
Компания Ningbo Beneparts Machinery Co., Ltd, как ваш надежный поставщик запчастей GET, предлагает полный ассортимент запасных частей, подходящих для всех видов землеройных машин, которые применяются в горнодобывающей промышленности, строительстве, сельском хозяйстве и т. Д. Например, экскаватор, бульдозер, погрузчик, экскаватор, скребок, дробилка и др. скоро. Поставляемые нами запасные части, в том числе литые детали, такие как зубья ковша, переходник, губчатый кожух, протектор, хвостовик рыхлителя и т. Д., И кованые детали, такие как кованые зубья ковша, режущая кромка, лезвия грейдера, сегмент, концевое долото и т. Д., А также износостойкие детали такие как чурки, износостойкие пуговицы, хромированная комбинированная износная пластина и т. д. и соответствующие детали, такие как штифт, шайба, болты и гайки и т. д. Наши детали покрывают марки машин Caterpillar, Komatsu, Volvo Doosan, Daewoo, Hyundai, Case, JCB, Kobelco, Liebherr Джон Дир и др.
Beneparts имеет очень сильную команду по продажам и тесно сотрудничающих производителей с высокими технологиями и сосредоточены на качестве с более чем 28-летним опытом.
Наши преимущества в четыре раза, наши:
1. сильная техническая команда, и у нас есть возможность формулировать материалы для удовлетворения конкретных потребностей проектов наших клиентов.
Система контроля качества 2.Perfect, и полный спектр передовых средств, таких как машина для анализа компонентов, ударная машина, машина для определения прочности на разрыв и т. Д.
3. Богатый опыт ведения бизнеса OEM / ODM, мы можем разработать элементы согласно чертежам и образцам, если у вас есть конкретные требования.
4. Эффективное управление, мы можем сократить сроки поставки, и у нас есть хорошее послепродажное обслуживание, которое поддерживает долгосрочное деловое сотрудничество с нашими клиентами.
Мы всегда стремимся предоставить вам быстрое, удобное и эффективное обслуживание клиентов.
С нетерпением жду встречи с вами!